一、项目编号:HJSCG2024FJC005
二、项目名称:歙县自来水有限公司2024-2025年光电直读NB-iot远传水表招标采购项目
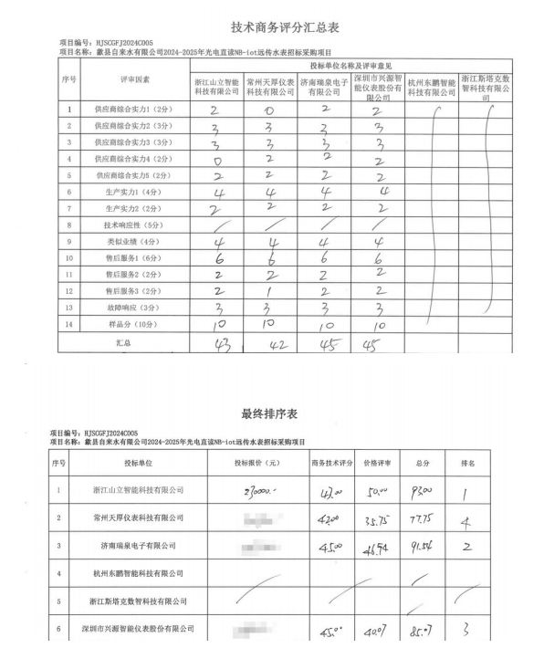
三、中标(成交)信息
供应商名称:浙江山立智能科技有限公司
供应商地址:浙江省杭州市余杭区仁和街道仁河大道516号1幢4楼401室
中标(成交)金额:23万元
四、主要标的信息
货物类 |
名称:光电直读远传水表 品牌(如有):山立 规格型号:LXSGY-25N 数量:20 单价:230元 |
五、评审专家(单一来源采购人员)名单:曹海、施学续、罗慧健
六、代理服务收费标准及金额:按合同约定,2500元。
七、公告期限
自本公告发布之日起1个工作日。
八、其他补充事宜
1.本项目采购方式:竞争性磋商
2.无效供应商及原因:浙江斯塔克数智科技有限公司、杭州东鹏智能科技有限公司符合性评审不通过。
3.中标(成交)供应商业绩:
3.1浙江衢州水业集团有限公司水表采购项目;
3.2龙游华水公司2023年远传水表采购项目;
4.对中标(成交)结果有质疑的,供应商最迟应在本公告期限届满之日起七个工作日内,按照财政部《政府采购质疑和投诉办法》和本项目采购文件的规定以书面形式(纸质提交)在工作时间内向采购人或采购代理机构提出。若供应商对质疑处理意见有异议,可在规定时间内以书面形式(纸质提交)向开云网页版登录入口-开云online(中国)项目管理部提出投诉。
5.质疑函、投诉书范本详见黄山市公共资源交易中心门户网站——服务指南——资料下载专区。
九、凡对本次公告内容提出询问,请按以下方式联系。
1.采购人信息
名 称:歙县自来水有限公司
地 址:歙县二环路(歙县自来水公司二水厂)
联系方式:0559-6516910
2.采购代理机构信息
名 称:安徽方佳项目管理有限公司
地 址:歙县紫阳路188号4楼
联系方式:0559-6519795
3.项目联系方式
项目联系人:方女士
电 话:0559-6519795
十、附件
